English
Español
Português
русский
Français
日本語
Deutsch
tiếng Việt
Italiano
Nederlands
ภาษาไทย
Polski
한국어
Svenska
magyar
Malay
বাংলা ভাষার
Dansk
Suomi
हिन्दी
Pilipino
Türkçe
Gaeilge
العربية
Indonesia
Norsk
تمل
český
ελληνικά
український
Javanese
فارسی
தமிழ்
తెలుగు
नेपाली
Burmese
български
ລາວ
Latine
Қазақша
Euskal
Azərbaycan
Slovenský jazyk
Македонски
Lietuvos
Eesti Keel
Română
Slovenski
मराठी
Srpski језик |
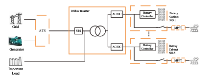
Fonctionnalité Le système utilise des unités onduleurs modulaires en configuration parallèle, où l'entrée DC de chaque module onduleur correspond à une armoire batterie dédiée, permettant une gestion par cluster pour éliminer les courants de circulation entre chaînes de batterie. Les modules d'alimentation AC/DC prennent en charge un déploiement flexible en termes de quantité et puissance nominale, avec une capacité maximale de modules de 60 kW dans un parallèle de 5 unités configuration. La sortie CA des modules d'alimentation est fournie via un transformateur étage de sortie isolé, fournissant de l'énergie à la charge avec une forte résistance à choc actuel. L'ESS hybride utilise une intégration photovoltaïque couplée en courant continu, atteignant des niveaux élevés efficacité de conversion énergétique et optimisé pour les scénarios hors réseau avec PV capacité de production dépassant la demande de charge ; Contrôleurs MPPT pour l'extérieur intégrez les fonctionnalités du combinateur et du MPPT dans un seul boîtier renforcé. Le système complet comprend un générateur diesel en option ATS, un hybride de 300 kW onduleur, contrôleur PV MPPT et système de stockage d'énergie par batterie.
Fonctionnalité Le système utilise des unités onduleurs modulaires en configuration parallèle, où l'entrée DC de chaque module onduleur correspond à une armoire batterie dédiée, permettant une gestion par cluster pour éliminer les courants de circulation entre chaînes de batterie. Les modules d'alimentation AC/DC prennent en charge un déploiement flexible en termes de quantité et puissance nominale, avec une capacité maximale de modules de 60 kW dans un parallèle de 5 unités configuration. La sortie CA des modules d'alimentation est fournie via un transformateur étage de sortie isolé, fournissant de l'énergie à la charge avec une forte résistance à choc actuel. L'ESS hybride utilise une intégration photovoltaïque couplée en courant continu, atteignant des niveaux élevés efficacité de conversion énergétique et optimisé pour les scénarios hors réseau avec PV capacité de production dépassant la demande de charge ; Contrôleurs MPPT pour l'extérieur intégrez les fonctionnalités du combinateur et du MPPT dans un seul boîtier renforcé. Le système complet comprend un générateur diesel en option ATS, un hybride de 300 kW onduleur, contrôleur PV MPPT et système de stockage d'énergie par batterie.
Caractéristiques |
|||||
| Modèles | P200TS-400-A | P250TS-400-A | P300TS-400-A | ||
|
Paramètres côté DC |
Plage de tension | 650-950 Vcc | |||
| Commutateur d'entrée par module | 250A | ||||
| Nombre de canaux CC | 3 voies | 4 voies | 5 voies | ||
|
Paramètres côté AC (connecté au réseau) |
Puissance de sortie nominale | 200 kW | 250 kW | 300 kW | |
| Puissance de sortie maximale | 220 kW | 275 kW | 330 kW | ||
| Courant de sortie nominal | 289A | 361A | 433A | ||
| THDi | <3% | ||||
| Type de grille | 3W+N+PE | ||||
| Plage de tension | 360 VCA ~ 440 VCA | ||||
| Gamme de fréquence | 45~55Hz/55~65Hz | ||||
| Facteur de puissance | -1~1 | ||||
|
Insulaire Paramètres côté AC |
Puissance de sortie nominale | 200 kW | 250 kW 300 kW | ||
| Tension de sortie nominale | 400 Vca | ||||
| Fréquence de sortie nominale | 50/60Hz | ||||
| THDu | <1 % linéaire, <5 % non linéaire<1 % linéaire, <5 % non linéaire | ||||
| Capacité de surcharge | Surcharge de 110 % pendant 10 minutes110 % pendant 10 minutes | ||||
|
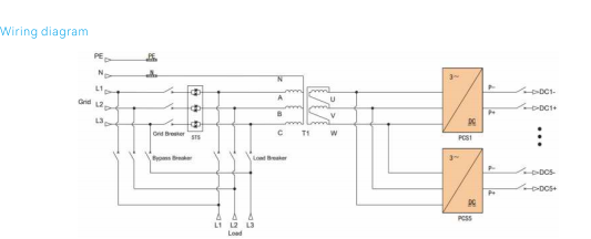
Ilotage en grille Transfert et appareillage |
Commutateur de dérivation de maintenance | 400A | 630A | ||
| Commutateurs de réseau | 630A | 800A | |||
| Interrupteurs de charge | 400A | 630A | |||
| Unité STS | 577A/400kW | 722A/500kW | |||
| Temps de commutation | <20ms | ||||
|
Paramètres du système |
Efficacité maximale | 97,5% | |||
| Température de fonctionnement | -30 ~ 55 ℃ -30 ~ 55 ℃ (déclassement au-dessus de 40 ℃) | ||||
| Humidité relative | 0 ~ 95 % HR, 0 ~ 95 % HR, sans condensation. | ||||
| Dimensions (L*P*H) | 1300×1050×2050mm | ||||
| Poids | 1400 kg | 1700 kg 1800 kg | |||
| Niveau IP | IP21 IP21 (ensemble complet) | ||||
| Bruit | <70dB | ||||
| Écran d'affichage | Écran tactile LCD | ||||
| Communication GTC | PEUT | ||||
| Communication EMS | TCP/IP | ||||
Armoire de stockage d'énergie
Batterie au lithium de stockage d'énergie verticale
Batterie au lithium de stockage d'énergie d'armoire de support
Batterie au lithium de stockage d'énergie à montage mural
Batterie au lithium de stockage d'énergie empilée
Batterie au lithium de stockage d'énergie haute tension