English
Español
Português
русский
Français
日本語
Deutsch
tiếng Việt
Italiano
Nederlands
ภาษาไทย
Polski
한국어
Svenska
magyar
Malay
বাংলা ভাষার
Dansk
Suomi
हिन्दी
Pilipino
Türkçe
Gaeilge
العربية
Indonesia
Norsk
تمل
český
ελληνικά
український
Javanese
فارسی
தமிழ்
తెలుగు
नेपाली
Burmese
български
ລາວ
Latine
Қазақша
Euskal
Azərbaycan
Slovenský jazyk
Македонски
Lietuvos
Eesti Keel
Română
Slovenski
मराठी
Srpski језик
Caractéristiques du produit
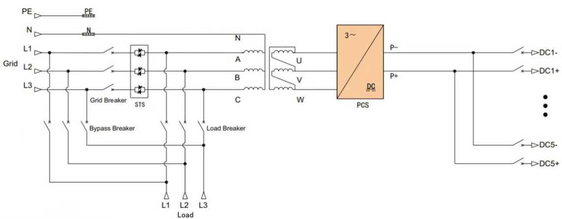
1. Pour des charges supérieures à 500 kW, il est recommandé d'utiliser un onduleur de stockage d'énergie monobloc de grande capacité de 500 kW, capable de prendre en charge jusqu'à quatre ensembles de connexions parallèles, atteignant une puissance totale de 2 MW ;
2. Lors de l'exploitation de plusieurs systèmes de 500 kW en parallèle et de la distribution de STSa sur différents onduleurs de 500 kW, il est crucial de s'assurer que la longueur du câble entre le point de raccordement au réseau et le point de raccordement de charge est cohérente ;
3. L'ESS hybride utilise une intégration photovoltaïque couplée au courant continu, atteignant une efficacité de conversion d'énergie élevée et optimisée pour les scénarios hors réseau avec une capacité de production photovoltaïque dépassant la demande de charge ; MPPT pour l'extérieur
Les contrôleurs intègrent les fonctionnalités du combineur et du MPPT dans un seul boîtier renforcé. Le système complet comprend une option ATS de générateur diesel, un onduleur hybride de 300 kW, un contrôleur PV MPPT et une batterie.
système de stockage d’énergie.


Spécification
| Modèles | P500TS-400-A | |
|
Paramètres côté DC |
Plage de tension | 500-950V |
| Courant maximal | 1128A | |
| Puissance de sortie nominale | 500 kW | |
|
Paramètres côté AC (connecté au réseau) |
Puissance de sortie maximale | 550 kW |
| Courant de sortie nominal | 722A | |
| THDi | <3% | |
| Type de grille | 3W+N+PE | |
| Plage de tension | 360 VCA ~ 440 VCA | |
| Gamme de fréquence | 45~55Hz/55~65Hz | |
| Facteur de puissance | -1~1 | |
| Puissance de sortie nominale | 500 kW | |
|
Paramètres côté AC (Hors réseau) |
Tension de sortie nominale | 400V |
| Fréquence de sortie nominale | 50/60Hz | |
| THDu | <1 % de charge linéaire, <5 % de charge non linéaire | |
| Capacité de surcharge | 110%10 Minutes | |
| Commutateur de dérivation de maintenance | 1250A | |
|
Commutateur hors réseau et configuration du commutateur |
Commutateur CC | 1250A |
| Interrupteur de charge | 1250A | |
| Commutateur de réseau | 1250A | |
| Unité STS | 1155A/800kW | |
| Temps de commutation | <20ms | |
|
Paramètres du système |
Efficacité maximale | 97,5% |
| Température de fonctionnement | -30 ~ 55 ℃ (déclassement au-dessus de 40 ℃) | |
| Humidité relative | 0 à 95% HR, sans condensation | |
| Dimensions (L*P*H) | 1600×1050×2050mm | |
| Poids | 2700 kg | |
| Niveau IP | IP21 IP21 (Machine complète) | |
| Bruit | <70dB | |
| Écran d'affichage | Écran LCD | |
| Communication GTC | PEUT | |
| Communication EMS | TCP/IP | |
Armoire de stockage d'énergie
Batterie au lithium de stockage d'énergie verticale
Batterie au lithium de stockage d'énergie d'armoire de support
Batterie au lithium de stockage d'énergie à montage mural
Batterie au lithium de stockage d'énergie empilée
Batterie au lithium de stockage d'énergie haute tension